三个开关控造一盏灯怎么毗连线路?(附36种常见照明控造原理图!)
生活中最常见的一种场景是如许的:你下班回来后怠倦不胜,急需上床歇息,入门后翻开客厅的一盏灯,曲奔到卧室歇息但还关掉客厅灯,但那时其实不想再跑回客厅关灯,所以能够接纳三控开关,配合控造一个电源。
家居和拆修常面对灯饰、台灯的线路毗连,三个开关控造一盏灯,就是在双控的根底上,将两个开关的毗连线中间增加一个双刀双掷开关,也可用双开取代。
一双控开关的毗连办法
1、电源前方分三根线,别离毗连到灯饰的三个开关,从每个开关的三个裸线都毗连到灯的一端,之后从等的另一端出来的一根线毗连到电源的零线上。
那种接线是单联3控,先领会三个开关单开,那种单开要三个毗连柱,电源前方介入之一个开关的中间接住才行。
2、利用两个双联开关,将两个开关控造一盏灯的毗连办法,之后将两开关之间的2根双联线断开,用一个双刀双接开关将它们全数链接起来,使能通过他的开和关,到达本来2根线回复导通或穿插后导通,之后就能够完成三个开关控造一盏灯链接电路了。
二常见的照明控造原理图
1、两个双连开关在两地控造一盏灯电路
2、用三个开关控造一盏灯电路
3、将两个功率不异的110V白炽灯接在220V电源上利用的电路
4、低压小灯胆在220V电源上利用的电路
5、用二极管耽误白炽灯寿命的电路
6、简单的晶闸管调光灯电路
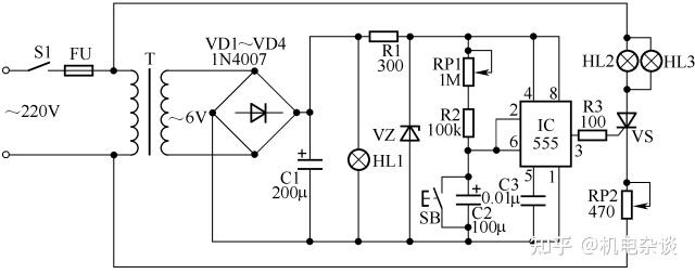
7、用555集成电路构成的光控等电路
8、无极调光台灯电路
9、路灯光电控造电路
10、照明灯主动延时关灯电路
11、楼房走廊照明灯主动延时关灯电路
12、人体感应延时灯光控造电路
13、晶闸管主动延时照明开关电路
14、门控主动灯电路
15、告白创意16功用彩灯控造电路
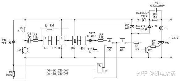
16、简易光控路障灯电路
17、主动调光灯电路
18、节日彩灯——满天星霓虹灯电路
19、鸟鸣彩灯串电路
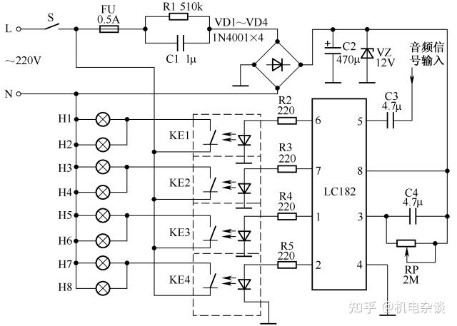
20、声控音乐彩灯电路
21、简易活动闪光灯电路
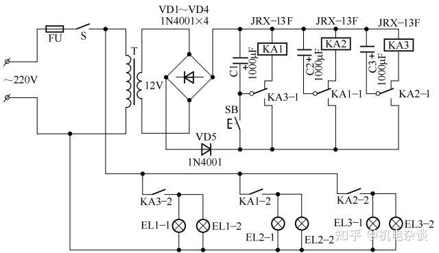
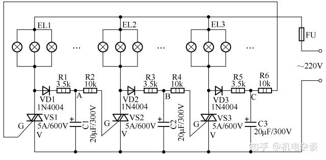
22、大功率“流水式”告白彩灯控造电路
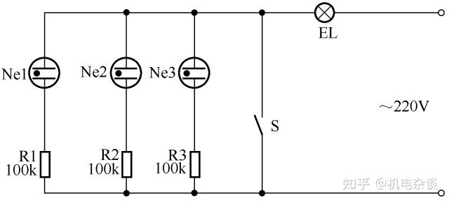
23、氖泡微光灯电路
24、霓虹灯供电电路
25、霓虹灯闪光电路
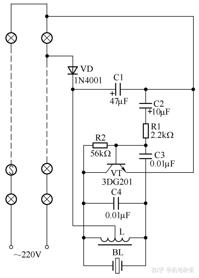
26、应急照明灯电路
27、微光调光按时有线遥控器电路
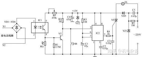
28、德律风自控照明灯电路
29、声光控主动照明灯电路
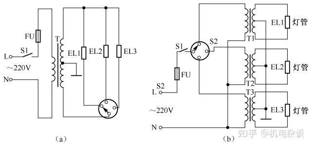
30、双荧光灯户外告白双灯管接线电路
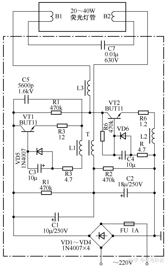
31、荧光灯节能电子镇流器电路(之一)
32、荧光灯节能电子镇流器电路(之二)
33、探照灯、红外线灯、碘钨灯、钠灯接线电路
34、紫外线杀菌灯接线电路
35、高压汞灯接线电路
36、管形氙灯接线电路
来源:收集,版权归原做者
欢送存眷机电杂谈专栏,获取更多机电常识
